Bonjour tout le monde
Voila j'ai le projet de realiser une petit montage qui dapres moins est plutot simple mais qui me pose quand meme probleme.
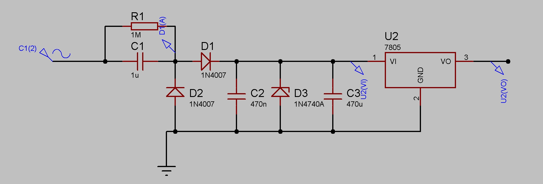
Une alimentation 220V + un microcontroleur (PIC12F629) + 12LED tout cela en prenant le moins de place possible.
Le schema de ma realisation est en PJ.
Tout d'abord je ne suis pas sur du tout de ma mise en place des LED .... une mise en parallele ne serait il pas mieux ?
Ensuite un second probleme l'alimentation. Ayant un espace tres redui je doi eviter a tout prix l'option transfo. J'ai donc trouver un moyen de creer du 5V. En theorie ISIS me sort bien un 5V MAIS (car il y a tjs un mais) en pratique c'est pas pareil....
Est ce que mon montage d'alimentation pourrait fonctionner ?
Et si oui comment puis je faire pour calculer la puissance qui va circuler dans la zener ??
Merci beaucoup d'avance pour votre reponse !
GaBVoiR
verification + question alim
Modérateur : Modérateur
-
JP
- Administrateur

- Messages : 2328
- Inscription : 23 sept. 2003 19:14
- Localisation : Strasbourg
- Contact :
Salut,
Je mettrais plutôt les LED côté collecteur, de cette manière la saturation du transistor ne dépend pas de la tension de seuil des LED.
Ensuite la tension de seuil d'une LED c'est environ 2V donc 3x2V+VCEsat tu dépasses déjà les 5V disponibles...
Pour la partie alim, ca ne m'emballe jamais de voir du 230V se promener comme ca ...
Pour la zener :
- tu calcules le module de l'impédance R1//C1 à 50Hz
Quand tu as une alternance positive D2 est bloquée, D1 est passante
- Tu en déduis le courant max qui passe dans la zener (le régulateur ne consomme aucun courant)
I=(230*racice(2)-Vz)/|Zeq|
Et donc la puissance c'est Vz*I
a+
JP
Je mettrais plutôt les LED côté collecteur, de cette manière la saturation du transistor ne dépend pas de la tension de seuil des LED.
Ensuite la tension de seuil d'une LED c'est environ 2V donc 3x2V+VCEsat tu dépasses déjà les 5V disponibles...
Oui mais tu consommes forcément plus de courant. A voir si ta partie régulation va suivre correctement.une mise en parallele ne serait il pas mieux ?
Pour la partie alim, ca ne m'emballe jamais de voir du 230V se promener comme ca ...
Pour la zener :
- tu calcules le module de l'impédance R1//C1 à 50Hz
Quand tu as une alternance positive D2 est bloquée, D1 est passante
- Tu en déduis le courant max qui passe dans la zener (le régulateur ne consomme aucun courant)
I=(230*racice(2)-Vz)/|Zeq|
Et donc la puissance c'est Vz*I
a+
JP
Ca clignote !!!!
salut
etant donne que je ne savai pas commen faire pour calculer l'impedance d'un RC :s
Je me suis servir d'un formule trouver dans electronique pratique permettant de calculer le condensateur dans une telle alimentation
C = i / (2(pie)F*U)
etant donne que les LED (une fois en //) consomme 240mA et que (je pense) l'uC environ 60mA (jen suis vraiment pas sur je trouve pas sur le datasheet :s)
(http://www.alldatasheet.com/datasheet-p ... 2F629.html)
Donc avec 300mA cela fait un condo de 4.1 uF (mieux vaut 3.9 ou 4.7 ?). Avec une tension de 400V (recommande dans electornique pratique) je ne le trouve chez aucun vendeur (conrad selectronic gotronic)
Cependant est ce que de telle condo existe ??
Merci
GaBVoiR
etant donne que je ne savai pas commen faire pour calculer l'impedance d'un RC :s
Je me suis servir d'un formule trouver dans electronique pratique permettant de calculer le condensateur dans une telle alimentation
C = i / (2(pie)F*U)
etant donne que les LED (une fois en //) consomme 240mA et que (je pense) l'uC environ 60mA (jen suis vraiment pas sur je trouve pas sur le datasheet :s)
(http://www.alldatasheet.com/datasheet-p ... 2F629.html)
Donc avec 300mA cela fait un condo de 4.1 uF (mieux vaut 3.9 ou 4.7 ?). Avec une tension de 400V (recommande dans electornique pratique) je ne le trouve chez aucun vendeur (conrad selectronic gotronic)
Cependant est ce que de telle condo existe ??
Merci
GaBVoiR
-
JP
- Administrateur

- Messages : 2328
- Inscription : 23 sept. 2003 19:14
- Localisation : Strasbourg
- Contact :
J'ai un peu de mal à comprendre la méthode d'électronique pratique ...
C = i / (2(pie)F*U) <- le U c'est déjà la chute de tension aux bornes du condensateur donc avec 400V tu ne vas pas allé loin ...
Si tu veux comprendre le fonctionnement : le condensateur, à une certaine fréquence, a un module équivalent à une résistance. Ce module se calcule de la manière suivante :
|Zc|=1/(2.pi.C.f) si f=50Hz et C= 1µF ca te donne 3.18Kohms
Donc à 50Hz c'est comme si t'avais une résistance de 3.18K en // avec une résistance de 1Mohm, ce qui te donne une résistance équivalente de 3.17Kohm, donc la 1M est négligeable ...
Tu sais aussi que D1 est passante lors des alternances positives elle aura une tension de 0.7V même chose pour la zener mais sa tension de seuil est de 10V.
Donc la différence de potentiel max aux bornes de ton impédance équivalente c'est 230V*racine(2)-(0.7+10V) = 314V
I= U/R = 314/3.17k ca te fait au max 100mA
Ces 100mA vont passé soit dans la zener soit dans le régulateur.
Dans le pire des cas le régulateur ne consommera rien donc les 100mA passeront dans la zener Pz=100mA*10V = 1W
Le problème c'est que les 100mA tu ne les as pas en permanence mais seulement quand l'alternance positive est à son maximum. C'est ici qu'intervient le condensateur de filtrage qui va service de réservoir de courant.
Ce site explique bien son fonctionnement et comment le dimensionner :
http://www.ac-nancy-metz.fr/pres-etab/l ... tation.htm
Quand tu as compris tout ca tu peux dimentionner tes composants et vérifier par simul que ca tourne bien quand tu tires un maximum de courant.
C = i / (2(pie)F*U) <- le U c'est déjà la chute de tension aux bornes du condensateur donc avec 400V tu ne vas pas allé loin ...
Si tu veux comprendre le fonctionnement : le condensateur, à une certaine fréquence, a un module équivalent à une résistance. Ce module se calcule de la manière suivante :
|Zc|=1/(2.pi.C.f) si f=50Hz et C= 1µF ca te donne 3.18Kohms
Donc à 50Hz c'est comme si t'avais une résistance de 3.18K en // avec une résistance de 1Mohm, ce qui te donne une résistance équivalente de 3.17Kohm, donc la 1M est négligeable ...
Tu sais aussi que D1 est passante lors des alternances positives elle aura une tension de 0.7V même chose pour la zener mais sa tension de seuil est de 10V.
Donc la différence de potentiel max aux bornes de ton impédance équivalente c'est 230V*racine(2)-(0.7+10V) = 314V
I= U/R = 314/3.17k ca te fait au max 100mA
Ces 100mA vont passé soit dans la zener soit dans le régulateur.
Dans le pire des cas le régulateur ne consommera rien donc les 100mA passeront dans la zener Pz=100mA*10V = 1W
Le problème c'est que les 100mA tu ne les as pas en permanence mais seulement quand l'alternance positive est à son maximum. C'est ici qu'intervient le condensateur de filtrage qui va service de réservoir de courant.
Ce site explique bien son fonctionnement et comment le dimensionner :
http://www.ac-nancy-metz.fr/pres-etab/l ... tation.htm
Quand tu as compris tout ca tu peux dimentionner tes composants et vérifier par simul que ca tourne bien quand tu tires un maximum de courant.
Dernière modification par JP le 15 nov. 2006 13:40, modifié 2 fois.
Ca clignote !!!!
