question : leds reglages et resistance Var

Des Warnings et des erreurs avec votre logiciel de CAO préféré ? On devrait pouvoir y faire quelque chose.

Modérateur : Modérateur

zara
NOUVEAU
NOUVEAU
Messages : 8
Inscription : 26 févr. 2008 12:43

question : leds reglages et resistance Var

Message par zara »

Combien il faut de khoms pour une resistance variable?

Je m'explique, j'ai mis 20 leds et comme je pensé que l'eclairages des 20 leds serait forte plus de nuit, que de jour, j'ai mis une resistance variable comme ça je règle la luminosité, comme je veux, pour que ça ne me gène pas.


Pour les details, j'ai placer a cote de la resistance variable , une resistance simple pour ne pas griller celle qui est variable pour les reglage ou griller les leds j'ai bien fait ou elle est de trop ? :oops:

merci @ Bientot



:?:
MisterMok
NOUVEAU
NOUVEAU
Messages : 12
Inscription : 30 janv. 2008 22:02
Localisation : METZ

Message par MisterMok »

Bonjour,

C'est plus une question d'électronique que d'eagle mais bon ...

Juste une question : sous quelle tension tu alimentes tes leds ? elles sont en parallèles ou en serie ? Visiblement en serie.

Je m'explique, une led -> vf de 1.6 à 4V et un If de 3mA à 1000mA (selon technologie employée et couleur de led) Si tu prend des led luminosités std par exemple : compter 20mA et 1.7V de Vf (pour du vert)

donc tu fais ton calcul en serie : Re = (Valim - 20 x Vf) / If = (Valim - 32V ) / 20mA.

Ensuite tu ajustes en fonction des potar existants. sous une alim 40V par exemple ca te fait un Re de 400 Ohms maxi. Donc tu peux prendres un resistance talon de 390 Ohms un potar de 1K Ohms ca te permet de varier ton courant de 20mA a 5mA (environs). et d'avoir un courant maximum de 20mA (sans cramer tes LED ou du moins baisser leur durée de vie)

Tu peux utiliser une pompe de charge qui te permet de driver des led hautes luminosité du genre LT3465 (linear) en sortant une alim 30V a partir d'un 5V.

Par contre c'est quoi comme genre de système que tu cherches a faire. Car si tu veux être vu de loin 10-20 mA ca suffira pas. Il te faudra prendre des led plus puissantes (300 / 500mA)
Que les petits nounours soient verts ou rouges, ils ont tous la meme couleur une fois dans l'estomac.
zara
NOUVEAU
NOUVEAU
Messages : 8
Inscription : 26 févr. 2008 12:43

Message par zara »

Moi je vais mettre des leds rouges, comme ça, ça m'evite de calculer le rapport leds/vitesse (par a port a la vitesse que la voiture peut atteindre, exemple leds vert je peut aller j'usquà 100, leds jaune j'usquà 130-150, leds rouge le maxi 200 210). Je note quil y a 20 leds en tout.

Voir ICI :

http://forums.jelectronique.com/ftopic7210.php

Je pense que tu ne le savais pas quand je lie ton poste, mais c'est pour un compteur digital mais merci de ta reponse j'en apprend tout les jours. 8)
MisterMok
NOUVEAU
NOUVEAU
Messages : 12
Inscription : 30 janv. 2008 22:02
Localisation : METZ

Message par MisterMok »

OK

La question est problématiques quand meme ;) la seule solution a mon sens dans ton cas n'est pas de jouer sur le courant mais sur l'alim. Tu as déjà complété ton shema pour mettre tes led ou pas ? Je suppose vu le schema que tu as utilisé deux autres 4017 cadencés sur l'une des horloge et tu fais une petite mamaille pour le reset.

L'idée est de prendre un LM317 (ou un autre régulateur variable) pour générer l'alim qui va fournir le courant a tes LED. Tu commutes tes leds avec un ULN2803 et tu fais varier l'alim de 3V a 6V par exemple . Du fait le courant vas lui aussi être changé, donc l'éclairement de tes leds. Donc pour la valeur en KOhms de ta resistance tu te reporte a la datasheet du régulateur que tu auras choisi.
Que les petits nounours soient verts ou rouges, ils ont tous la meme couleur une fois dans l'estomac.
Invité

Message par Invité »

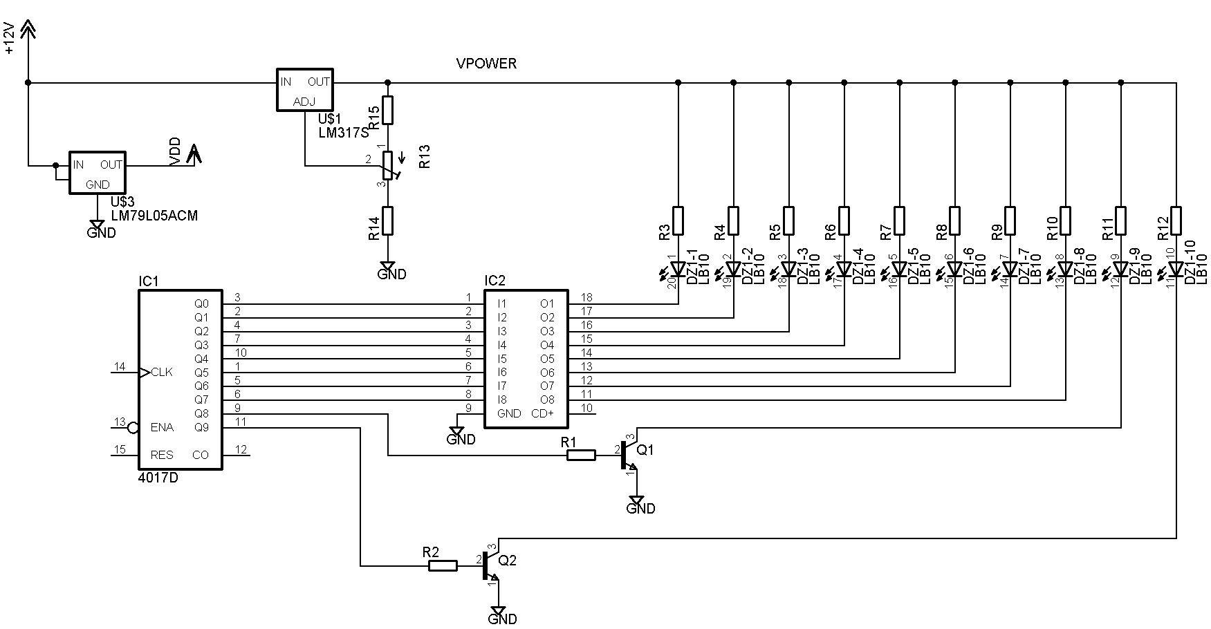
Merci de ta reponse ça m'aide beaucoup, mais voila j'ai un souci, regarde mon schema, je n'arrive pas a connecter les deux dérnières leds l9 et l10, comment faire ?

:wink:

Image

Pour l'instant j'en est connecter que 8, le problème et que, si je connecte l9 et l10 avec l8 il risque de s'allumer tout les deux non ?

:?:
MisterMok
NOUVEAU
NOUVEAU
Messages : 12
Inscription : 30 janv. 2008 22:02
Localisation : METZ

Message par MisterMok »

je veux bien mais je comprend pas vraiement ton schema. L'alim je comprend pas comment tu la brancher et impossible de lire les circuits que tu utilises ...

J'aurais plutot vu un truc du genre (ci dessous)



Je te fais grace des capa et des valeurs de composants, C'est juste pour te donner une idée du genre de schéma que j'aurais vu personnellement (mon IC2 est un ULN2803)
Pièces jointes
tempo1.PNG
exemple schema
(7.92 Kio) Téléchargé 145 fois
Que les petits nounours soient verts ou rouges, ils ont tous la meme couleur une fois dans l'estomac.
Répondre