Compatibilité de connecteur RJ45 intégrant un transformateur
Modérateur : Modérateur
-
JP
- Administrateur

- Messages : 2328
- Inscription : 23 sept. 2003 19:14
- Localisation : Strasbourg
- Contact :
Compatibilité de connecteur RJ45 intégrant un transformateur
Bonjour à tous,
J'essaye de faire fonctionner une carte de développement, faite maison, pour un module Ethernet, le Charon 2.
Tout est ici : http://wiki.jelectronique.com/projets/c ... eloppement
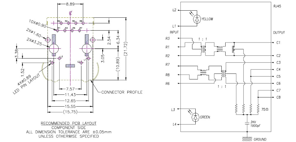
Donc j'ai acheté un connecteur RJ45 intégrant un transformateur sous la référence LF1S022 et j'ai reçu un UBE RD1-1D5B1A1A.
Ca vous semble compatible ? (Les datasheets complets sont sur le wiki)
Autre question, est-ce que le transformateur dépend du chip utilisé ?
Une petite derniere, savez vous où trouver des transfos du type FB2022 hormis en chine ou aux US ?
merci d'avance
a+
JP
J'essaye de faire fonctionner une carte de développement, faite maison, pour un module Ethernet, le Charon 2.
Tout est ici : http://wiki.jelectronique.com/projets/c ... eloppement
Donc j'ai acheté un connecteur RJ45 intégrant un transformateur sous la référence LF1S022 et j'ai reçu un UBE RD1-1D5B1A1A.
Ca vous semble compatible ? (Les datasheets complets sont sur le wiki)
Autre question, est-ce que le transformateur dépend du chip utilisé ?
Une petite derniere, savez vous où trouver des transfos du type FB2022 hormis en chine ou aux US ?
merci d'avance
a+
JP
- Pièces jointes
-
- LF1S022.jpg (34.53 Kio) Consulté 10372 fois
-
- RD1-1D5B1A1A.jpg
- (62.36 Kio) Téléchargé 396 fois
Ca clignote !!!!
Salut,
Le projet Charon 2 c'est dommage d'utiliser un rtl, composant cms... alors que microchip est entrain de sortir l'enc28j60, que je compte bientot essayé (deux trois projet sympathique a réaliser qui auront besoins d'une bande passante assez importante)...
Enfin ceci dit, trouver les rj45 + transfo c'est vraiment la galere, du moins en belgique, je suis parvenu a m'en procurer chez molex, reste encore a voir s'ils seront compatible (ce que j'espere)
Le projet Charon 2 c'est dommage d'utiliser un rtl, composant cms... alors que microchip est entrain de sortir l'enc28j60, que je compte bientot essayé (deux trois projet sympathique a réaliser qui auront besoins d'une bande passante assez importante)...
Enfin ceci dit, trouver les rj45 + transfo c'est vraiment la galere, du moins en belgique, je suis parvenu a m'en procurer chez molex, reste encore a voir s'ils seront compatible (ce que j'espere)
.: http://www.roboticus.org :. Control your own world !
-
JP
- Administrateur

- Messages : 2328
- Inscription : 23 sept. 2003 19:14
- Localisation : Strasbourg
- Contact :
Salut,

C'est juste que j'ai préféré commencer avec un module "tout fait" pour pouvoir me faire la main sur l'OS, la pile IP, les librairies et pour être sur que la carte de développement RJ45 & Co
fonctionnent correctement.
Je crois que je vais me mettre en quête de carte réseau d'occas....
a+
JP
Moi j'aime bien les cmsLe projet Charon 2 c'est dommage d'utiliser un rtl, composant cms...
L'enc28j60 devrait m'être livré demain matinalors que microchip est entrain de sortir l'enc28j60, que je compte bientot essayé (deux trois projet sympathique a réaliser qui auront besoins d'une bande passante assez importante)...
C'est juste que j'ai préféré commencer avec un module "tout fait" pour pouvoir me faire la main sur l'OS, la pile IP, les librairies et pour être sur que la carte de développement RJ45 & Co
Directement chez molex ? Échantillons ? 10 000 pièces ?Enfin ceci dit, trouver les rj45 + transfo c'est vraiment la galere, du moins en belgique, je suis parvenu a m'en procurer chez molex, reste encore a voir s'ils seront compatible (ce que j'espere)
Je crois que je vais me mettre en quête de carte réseau d'occas....
a+
JP
Ca clignote !!!!
-
JP
- Administrateur

- Messages : 2328
- Inscription : 23 sept. 2003 19:14
- Localisation : Strasbourg
- Contact :
Lextronic m'a envoyé le datasheet du nouveau connecteur que je devrais recevoir la semaine prochaine.
Et c'est toujours un connecteur qui n'est apparemment pas compatible avec celui affiché sur leur site.
Je retéléphone lundi pour leur dire que ce n'est pas la peine de me l'envoyer...
Et c'est toujours un connecteur qui n'est apparemment pas compatible avec celui affiché sur leur site.
Je retéléphone lundi pour leur dire que ce n'est pas la peine de me l'envoyer...
Ca clignote !!!!
En échantillon oui, ça a mis 2 mois pour arriver, mais ils sont arrivés, le dev va pouvoir commencerDirectement chez molex ? Échantillons ? 10 000 pièces ?
D'apres les datasheet il est fort peu différent du 1x1t qu'utilise microchip sur son board d'exemple donc je pense qu'il devrait convenir, quand j'aurai réussi quelque premier essais concluant vous direz quoi
.: http://www.roboticus.org :. Control your own world !
Salut,
J'utilise des pic moi, je comptais utiliser un 18f452 ou un truc du style, j'ai déjà quelque firmware d'exemple, bien sur je suis prenneur de tout ce qui existe....
Dans un premier temps vais essayé de réaliser un tout petit serveur soit avec une page web qui permet de controller les entrées sortie, soit simplement un serveur tcp ou udp auquel j'enverrai un packet avec les instructions a exécuté...
J'utilise des pic moi, je comptais utiliser un 18f452 ou un truc du style, j'ai déjà quelque firmware d'exemple, bien sur je suis prenneur de tout ce qui existe....
Dans un premier temps vais essayé de réaliser un tout petit serveur soit avec une page web qui permet de controller les entrées sortie, soit simplement un serveur tcp ou udp auquel j'enverrai un packet avec les instructions a exécuté...
.: http://www.roboticus.org :. Control your own world !
slt
voici les sources que j'utilise pour l'enc28J60.
le fichier charonIII est une partie de mon serveur web a base de realtek, tu a juste a utilisé :
pour initialisé le chip et voir si la couche physique fonctionne.
si ton transfo est correcte tu dois avoir ton voyant link d'allumer sur le switch et ton chip et aussi tu le verra avec le resultat de cette fonction :
voila si tu as des questions, n'esite pas et aussi des news 
voici les sources que j'utilise pour l'enc28J60.
le fichier charonIII est une partie de mon serveur web a base de realtek, tu a juste a utilisé :
Code : Tout sélectionner
nicInit();
enc28j60RegDump();si ton transfo est correcte tu dois avoir ton voyant link d'allumer sur le switch et ton chip et aussi tu le verra avec le resultat de cette fonction :
Code : Tout sélectionner
u16 G = enc28j60PhyRead(PHSTAT1); - Pièces jointes
-
- charon III.rar
- (19.2 Kio) Téléchargé 533 fois

